Close Menu
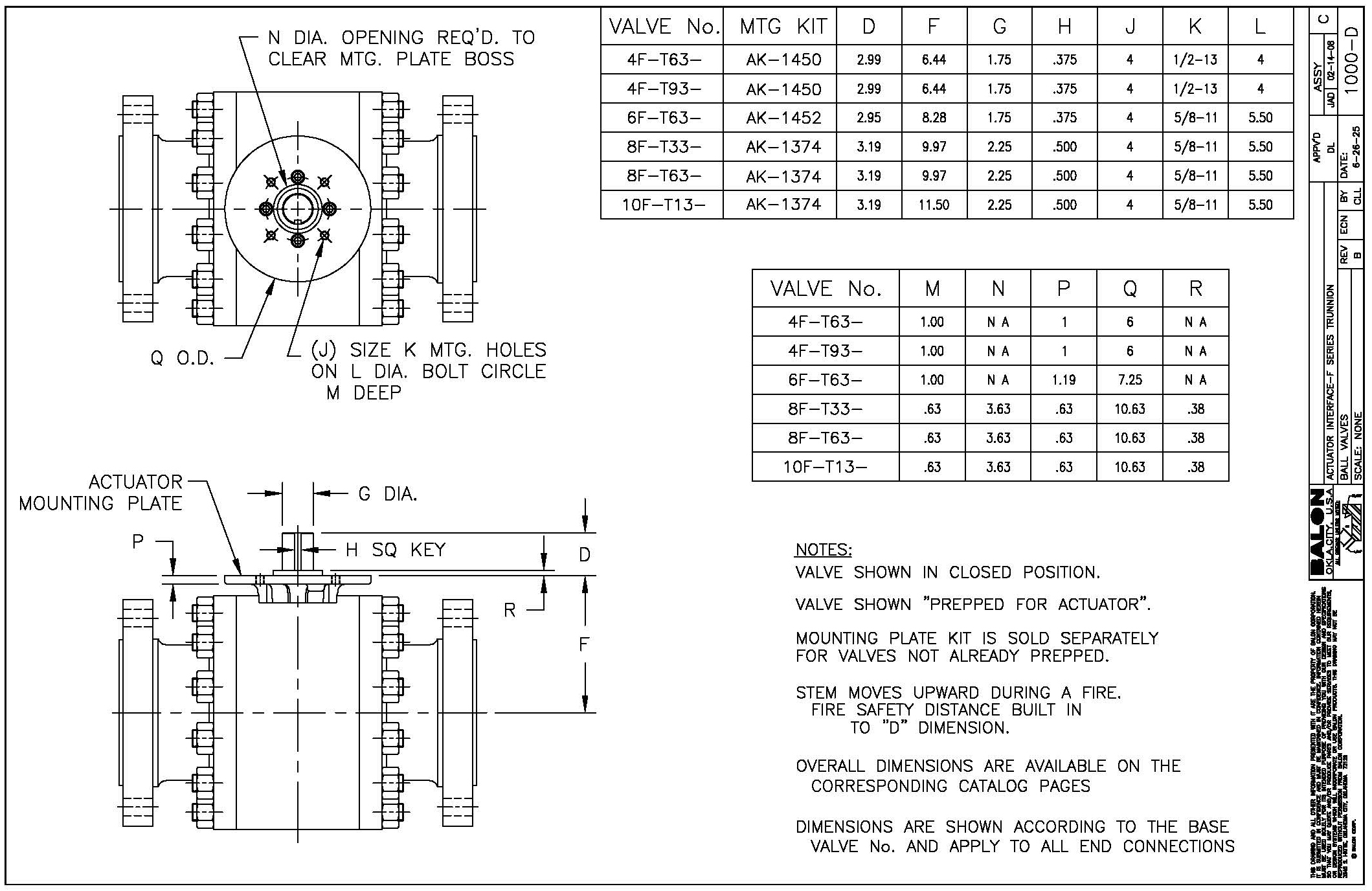
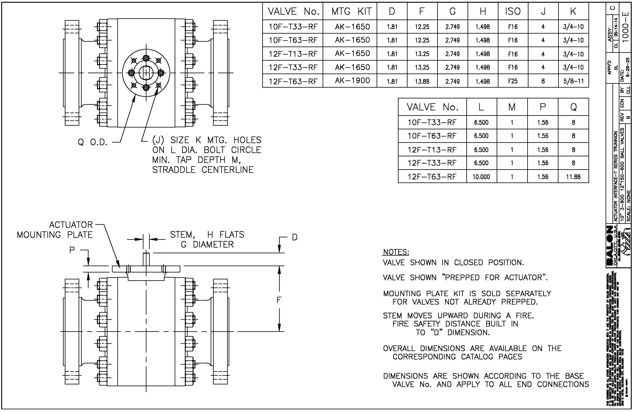
Trunnion Ball Valves Ordered with Actuator Topworks
Click to Open Printable PDF
Click to Open Printable PDF