Close Menu
Valve

Series F

Carbon Steel

Flanged End Connection

 

ANSI Class 900, 1,500

Floating Ball Valve


  • 100% Made in USA
  • ANSI Class 900 (2220 PSI WP)
  • ANSI Class 1500 (3705 PSI WP)
  • 2"
  • Bolted Body Construction

Valve Features
  • Certified Low Emission per API 641
  • Certified Fire Safe per API 6FA
  • NACE Option With 316 Stainless Steel Ball and Stem Available
  • Rugged Locking Device Standard
  • Multi-Seal Seats (See page B-5)
Material Description
ITEM PART
NAME
MATERIAL
(STANDARD)
MATERIAL
(NACE)
1 Handle* Carbon Steel Carbon Steel
2 Handle Bolt Standard Hex Bolt Standard Hex Bolt
3 Weather Guard Polypropylene Polypropylene
4 Lock Plate Retainer Carbon Spring Steel Carbon Spring Steel
5 Lock Plate Carbon Steel Carbon Steel
6 Dust Cover Polypropylene Polypropylene
7 Stop Plate Retainer Carbon Spring Steel Carbon Spring Steel
8 Stop Plate Carbon Steel Carbon Steel
9 Stem O-Ring Buna-N Fluorocarbon
10 Stem Seal TFE TFE
11 Stem Carbon Steel 316 Stainless Steel
12 Ball Carbon Steel Nickel Chrome Plated 316 Stainless Steel
13 Ball Seats Nylon 11/ Acetal Nylon 11/ Acetal
14 Body O-Ring Buna-N Fluorocarbon
15 End Adapter ASTM A105, Normalized ASTM A105, Normalized
16 Body ASTM A105, Normalized ASTM A105, Normalized
17 Nuts ASTM A194 2H ASTM A194 2HM
18 Body Bolts ASTM A193 B7 ASTM A193 B7M
* Handle is optional. Balon valves can also be operated with a standard open-end wrench.


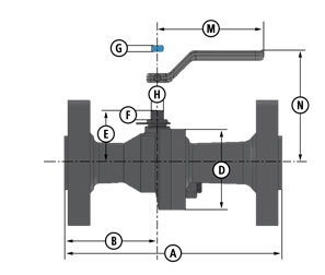
Dimensional Data

SIZE CATALOG NUMBER PORT A B D E F G H M N LBS. HANDLE Cv
STANDARD TRIM
CARBON STEEL
BALL & STEM
NACE TRIM
316 SS
BALL & STEM
RF RJ RF RJ
2x1.5x2 2R-F93-XX* 2R-F93N-XX* 1.5 14.50 14.62 6.31 6.37 6.25 3.62 .75 .434 .873 7.25 5.25 75 P-4128-CS 125
2x2x2 2F-F93-XX* 2F-F93N-XX* 2.0 14.50 14.62 6.00 6.06 7.00 4.37 .87 .497 .998 10.25 6.20 81 P-4129-CS -
2x1.5x2 2R-F03-XX* 2R-F03N-XX* 1.5 14.50 14.62 6.31 6.37 6.25 3.62 .75 .434 .873 7.25 5.25 75 P-4128-CS 125
   * End connection must be specified as -RF or -RJ at time of order.
   Balon manufactured Actuation Mounting Hardware available. Please see page A-2 for details.
   Also available with Balon Gear Operator.